دیگ بخار عمودی

Vertical Steam Boiler

Преимущества и особенности

  • راندمان بالا
  • انجام احتراق کاملتر و کاهش مصرف انرژی
  • مدت زمان لازم برای تولید بخار: 15 دقیقه
  • دارای سیستم‌های ایمنی و هشدار دهنده
  • قابلیت کار با سوخت‌های گاز طبیعی و گازوئیل
  • دارای پره‌های فولادی برای کاهش دمای دود
دیگ بخار عمودی دابوصنعت

Основные Характеристики

آیکن ظرفیت مخزن

ظرفیت

60-2000 kg/hr

بویلر های تحت فشار

فشار کاری

6-8-10-15 bar

design-element

طراحی

استاندارد EN 12953

سوخت

سوخت مصرفی

گاز طبیعی،گازوئیل

برق مصرفی دستگاه

برق مورد نیاز

50 Hz - 380 V - سه فاز

توضیحات محصول

کاتالوگ محصول

توضیحات محصول

دفترچه تعمیر و نگهداری

Внедрение продукции

بویلر بخار عمودی از سری تولیدات شرکت دابوصنعت است که ضمن داشتن راندمان بالا مجهز به تجهیزاتی نظیر مشعل گازسوز، کنترل‌کننده‌های سطح آب، کنترل‌کننده‌های فشار، پمپ تغذیه آب، نشان‌دهنده سطح آب و . . . می‌باشد.

مزایا و مشخصات فنی بویلر بخار دابو صنعت:

  • این محصول دارای راندمان حرارتی قابل توجه 90% می‌باشد.
  • بویلر بخار عمودی مجهز به سیستم پیش‌گرم هوای ورودی احتراق است. با استفاده از این سیستم، فرآیند احتراق سوخت در مشعل با هوای داغ انجام می‌شود که سبب انجام احتراق کاملتر، کاهش مصرف انرژی و در نتیجه افزایش راندمان حرارتی می‌گردد.
  • مدت زمان لازم برای تولید بخار در حدود 15 دقیقه می‌باشد.
  • کلیه تجهیزات ایمنی و سیستم‌های هشدار دهنده لازم بر روی این محصول نصب می‌شوند.
  • بویلر بخار عمودی قابلیت کار با سوخت‌های گاز طبیعی و گازوئیل را دارا می‌باشد.
  • در این محصول، جهت کاهش دمای دود از پره‌های فولادی استفاده شده که ضمن افزایش انتقال حرارت باعث طولانی شدن مسیر جریان محصولات احتراق و کاهش دمای دود گشته است. بر همین اساس دودکش در پایین‌ترین نقطه دستگاه تعبیه شده است.
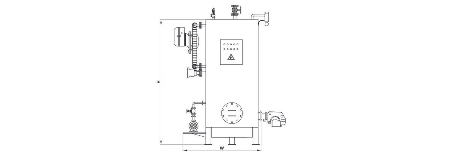
نقشه دیگ بخار عمودی دابوصنعت

تجهیزات کنترلی دیگ بخار عمودی:

  • مشعل گازسوز
  • کنترل‌کننده‌های سطح آب
  • کنترل‌کننده‌های فشار
  • پمپ تغذیه آب
  • نشان‌دهنده سطح آب
  • شیر خروجی بخار
  • شیر تخلیه
  • شیر ورودی آب
  • شیر اطمینان
  • مانومتر
  • ترموستات دود
  • تابلو برق

Избранные изображения продуктов

стандарты

Row midpoint Shape Decorative svg added to top

другие продукты

دیگ بخار عمودی

(2 отзыва клиентов)

بویلر بخار عمودی از سری تولیدات شرکت دابوصنعت است که ضمن داشتن راندمان بالا مجهز به تجهیزاتی نظیر مشعل گازسوز، کنترل‌کننده‌های سطح آب، کنترل‌کننده‌های فشار، پمپ تغذیه آب، نشان‌دهنده سطح آب و . . . می‌باشد.

Описание

بویلر بخار عمودی از سری تولیدات شرکت دابوصنعت است که ضمن داشتن راندمان بالا مجهز به تجهیزاتی نظیر مشعل گازسوز، کنترل‌کننده‌های سطح آب، کنترل‌کننده‌های فشار، پمپ تغذیه آب، نشان‌دهنده سطح آب و . . . می‌باشد. مزایا و مشخصات فنی بویلر بخار عمودی : این محصول دارای راندمان حرارتی قابل توجه ۹۰% می‌باشد. مجهز به سیستم پیش‌گرم هوای ورودی احتراق است. با استفاده از این سیستم، فرآیند احتراق سوخت در مشعل با هوای داغ انجام می‌شود که سبب انجام احتراق کاملتر، کاهش مصرف انرژی و در نتیجه افزایش راندمان حرارتی می‌گردد. استفاده از لوله‌های اسپیرال به جای لوله‌های افقی و عمودی باعث افزایش ضریب انتقال حرارت تا حداقل ۲ برابر می‌شود. مدت زمان لازم برای تولید بخار در حدود ۱۵ دقیقه می‌باشد. کلیه تجهیزات ایمنی و سیستم‌های هشدار دهنده لازم بر روی این محصول نصب می‌شوند. بویلر بخار عمودی قابلیت کار با سوخت‌های گاز طبیعی و گازوئیل را دارا می‌باشد. در این محصول، جهت کاهش دمای دود از پره‌های فولادی استفاده شده که ضمن افزایش انتقال حرارت باعث طولانی شدن مسیر جریان محصولات احتراق و کاهش دمای دود گشته است. بر همین اساس دودکش در پایین‌ترین نقطه دستگاه تعبیه شده است. این محصول دارای راندمان حرارتی قابل توجه ۹۰% می‌باشد. مجهز به سیستم پیش‌گرم هوای ورودی احتراق است. با استفاده از این سیستم، فرآیند احتراق سوخت در مشعل با هوای داغ انجام می‌شود که سبب انجام احتراق کاملتر، کاهش مصرف انرژی و در نتیجه افزایش راندمان حرارتی می‌گردد. استفاده از لوله‌های اسپیرال به جای لوله‌های افقی و عمودی باعث افزایش ضریب انتقال حرارت تا حداقل ۲ برابر می‌شود. مدت زمان لازم برای تولید بخار در حدود ۱۵ دقیقه می‌باشد. کلیه تجهیزات ایمنی و سیستم‌های هشدار دهنده لازم بر روی این محصول نصب می‌شوند. بویلر بخار عمودی قابلیت کار با سوخت‌های گاز طبیعی و گازوئیل را دارا می‌باشد. در این محصول، جهت کاهش دمای دود از پره‌های فولادی استفاده شده که ضمن افزایش انتقال حرارت باعث طولانی شدن مسیر جریان محصولات احتراق و کاهش دمای دود گشته است. بر همین اساس دودکش در پایین‌ترین نقطه دستگاه تعبیه شده است.

Детали

ظرفیت

60-2000 kg/hr

فشار کاری

6-8-10-15 bar

طراحی

استاندارد EN 12953

سوخت مصرفی

گاز طبیعی،گازوئیل

برق مورد نیاز

50 Hz — 380 V — سه فاز

2 отзыва на دیگ بخار عمودی

  1. مریم ایران نژاد

    سوالی داشتم از خدمتتون. لطفا تماس بگیرید 0912325xxxx

    • شرکت مخزن فولاد رافع

      با عرض سلام و درود لطفا با کارشناسان فروش ما از اینجا در ارتباط باشید.

  2. محدثه رزاقی

    سلام نیاز به دیگ فولادی آبگرم دارم

Добавить отзыв

Ваш адрес email не будет опубликован. Обязательные поля помечены *

For security, use of Google's reCAPTCHA service is required which is subject to the Google Privacy Policy and Terms of Use.